Радиолюбительский сайт

Суббота, 18.04.2026, 19:37



Приветствуем Вас Гость | RSS
[ Главная ] [ Каталог статей ] [ Регистрация ] [ Вход ]

Меню сайта

Радиоконструкции

Распродажа

Измерительные приборы в интернет магазине DESSY

Скачать

Радиобиблиотека

RDA

DX кластеры

Цифровая радиосвязь

QSL info

Полезные ссылки

Опрос сайта
Чем бы Вы хотели заняться вечером в субботу?

Результат опроса Результаты
Все опросы нашего сайта Архив опросов
Всего голосовало: 245

QRP частоты

QRP частоты

Недавно скачивали
  Предварительные усилители низкой частоты. Микросхемы. Справочник 
  Водоснабжение и электроснабжение на дачном участке 
  Игра рыбалка 2013. Скачать 
  YAESU FT-100D. Сервис-мануал 
  Радиоежегодник №22 ( март 2013 ) 
  Справочник по пайке 
  Элементарное введение в радиотелеграфию и радиотелефонию 
  CQ Amateur Radio №12 2012 
  Сборник схем отечественных осциллографов 
  Электроника для начинающих. Чарльз Платт 
  Ремонт & Сервис № 1-12, 2012 ( Годовая подшивка 2012 ) 
  Звукомания №6 (июнь 2012) 
  Chip №3 (март 2013) Россия 
  Энциклопедия начинающего радиолюбителя. Никулин 
  Радио №11 (ноябрь 2012) 
  Электрик. Новый строительный справочник 
  Как быстро восстановить потерянные компьютерные данные 
  Звукомания №10 (октябрь 2012) 
  Delta Force: Land Warrior 
  Радиоежегодник №23 ( апрель 2013 ) 

Статистика

free counters

Онлайн всего: 15
Гостей: 15
Пользователей: 0


Сегодня отметились

kvasnevskiyviktor, rd6mr, cabralpy2rt, anavi9550


Форма входа

Информация

Зарегистрированным пользователям доступны все разделы сайта в полном обьеме!


Свободный блок

Главная » Статьи » Схемы радиолюбителю » Блоки питания » Лабораторный блок питания своими руками

Радиолюбители в МАХ

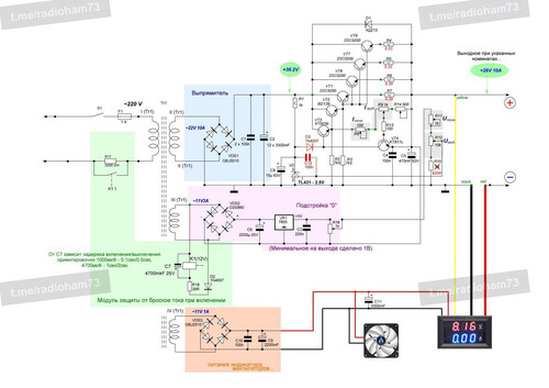
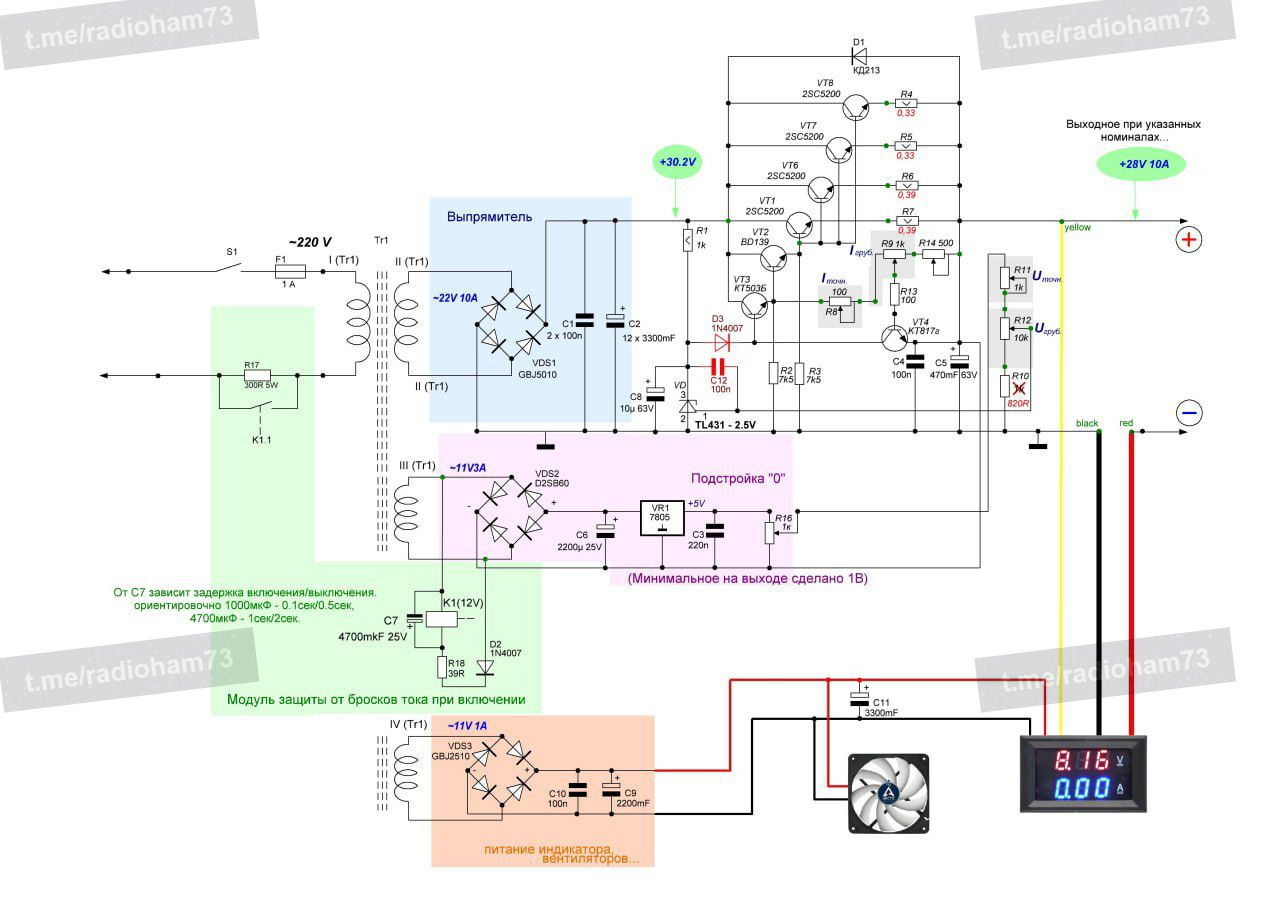
Лабораторный блок питания своими руками

Надежный и простой в использовании блок питания – незаменимая вещь для каждого радиолюбителя. Дает возможность точно регулировать напряжение и ток питания разных схем и устройств.
Такое устройство станет отличным помощником как в мастерской, так и для домашних экспериментов.

Блок питания радиолюбителя


Радиолюбители в МАХ - https://max.ru/ra1ohx



QRX - объявления радиолюбителей

HamRadio. Радиолюбители.RA1OHX

Сайт RA1OHX. Радиолюбители КВ и УКВ

Доска объявлений радиолюбителей "Купи-Продай" ВКонтакте Присоединяйся! >>>


Доска объявлений радиолюбителей "Купи-Продай" В Телеграм Присоединяйся! >>>



Поделитесь записью в своих социальных сетях!



Сайт RA1OHX
При копировании материала обратная ссылка на наш сайт обязательна!

Категория: Блоки питания | Добавил: Mike (29.03.2026)
Просмотров: 138 | Теги: лабораторный блок питания, блок питания, регулируемый блок питания, бп | Рейтинг: 0.0/0

Всего комментариев: 0
Добавлять комментарии могут только зарегистрированные пользователи.
[ Регистрация | Вход ]
Поиск по сайту


Поиск позывного

RA1OHX © 2026