Радиолюбительский сайт

Вторник, 24.02.2026, 21:21



Приветствуем Вас Гость | RSS
[ Главная ] [ Каталог статей ] [ Регистрация ] [ Вход ]

Меню сайта

Радиоконструкции

Распродажа

Измерительные приборы в интернет магазине DESSY

Скачать

Радиобиблиотека

RDA

DX кластеры

Цифровая радиосвязь

QSL info

Полезные ссылки

Опрос сайта
На каком трансивере Вы работаете?

Результат опроса Результаты
Все опросы нашего сайта Архив опросов
Всего голосовало: 998

QRP частоты

QRP частоты

Недавно скачивали
  Хакер №11 (ноябрь 2012) 
  Mozilla Firefox 22.0 Portable 
  Contra Mario - Combination of Epics 
  Оригинальные схемы и конструкции. Творить вместе! 
  Радиолюбителям полезные схемы. Книга 3 
  Энциклопедия электронных схем. Том 7. ( 1-3 части ) 
  Усилитель мощности на лампе ГК-71 с бестрансформаторной схемой анодного источник... 
  YAESU FT-857 Инструкция по эксплуатации 
  Энциклопедия радиолюбителя. Работаем с компьютером 
  Как снизить шумность системного блока компьютера+Очистка ноутбука от пыли. 
  ALINCO DJ-195.Инструкция пользователя,сервис мануал и схема 
  Секреты восстановления жестких дисков ПК 
  Linux Format №1 (январь 2013) 
  Радиолюбителям полезные схемы. Книга 1 
  Ремонт & Сервис №11, (ноябрь 2011) 
  Сервисный центр №2, 2012 
  RO9O RADIO-ONY CONTEST in 15m SSB 
  Изготовление универсального блока питания usb своими руками. 
  RadCom №4, (April 2012) 
  Школа начинающего радиолюбителя с учетом современной электроники (2-е издание) 

Статистика

free counters

Онлайн всего: 14
Гостей: 14
Пользователей: 0


Сегодня отметились

aleksandrsidorenko58, hot-mam, ua3pno0071


Форма входа

Информация

Зарегистрированным пользователям доступны все разделы сайта в полном обьеме!


Свободный блок

Популярное

СССР: Наши Любимые Песни

Музыка ретро


Песни для юбилея мужчины

Музыка архив


Антивирус Avast -

лучший бесплатный антивирус




Распродажа

Измерительные приборы в интернет магазине DESSY

Главная » Статьи » Схемы радиолюбителю » Радиостанции, трансиверы » Реверсивный QRP трансивер "Парус"

Радиолавка 73

Реверсивный QRP трансивер "Парус"

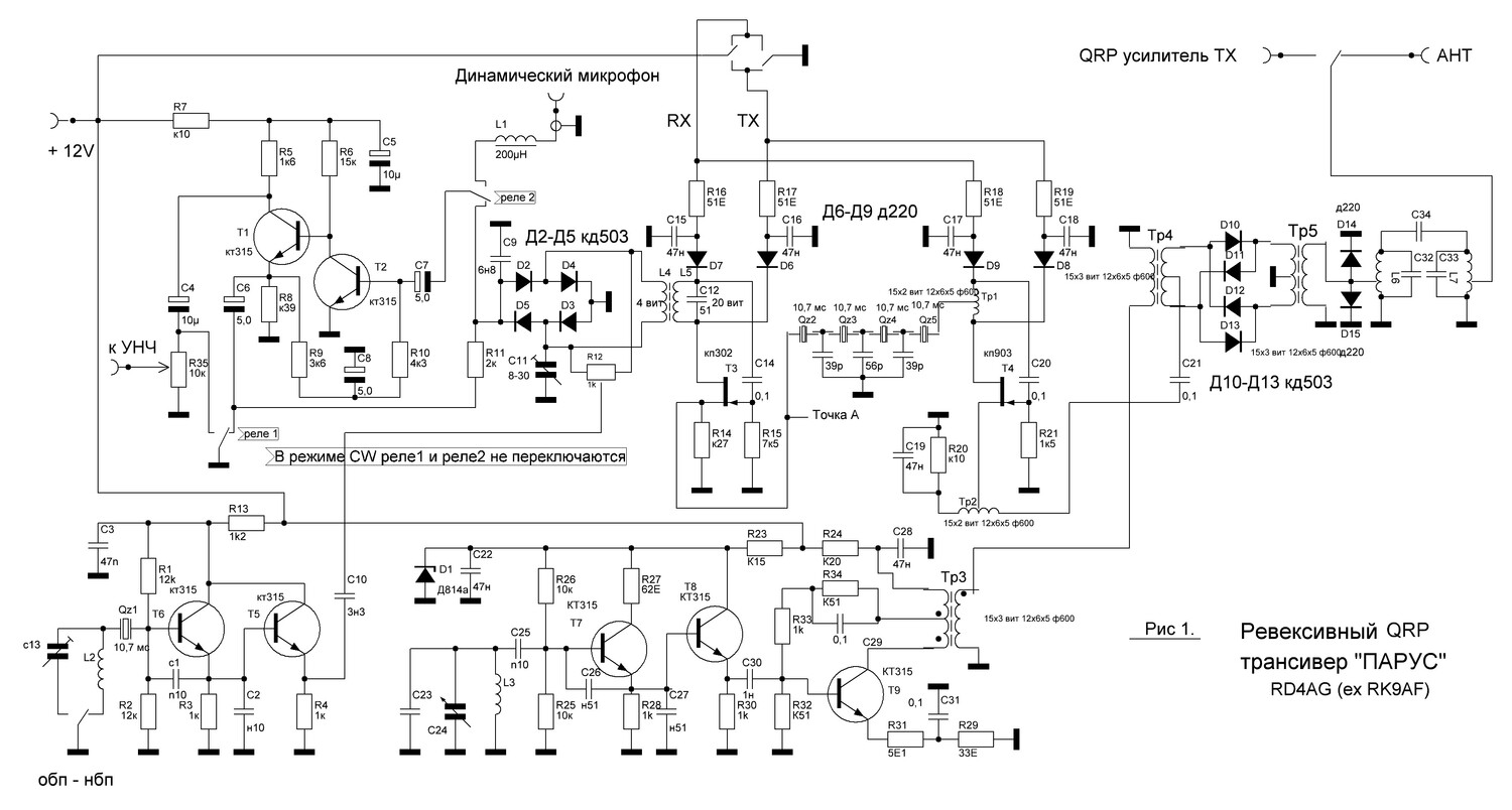
Реверсивный QRP трансивер «Парус» собран по супергетеродинной схеме с одним преобразованием частоты (Рис 1). Настроенный на передачу, трансивер автоматически будет настроен и на приём. Схема очень устойчива в работе, проста для повторения начинающим радиолюбителем, в ней используются самые доступные детали.


Рис. 1


Возможные дополнительные каскады: выходной каскад УНЧ, QRP усилитель, CW генератор и др. даны на Рис 2.

Трансивер парус

Рис. 2


Теперь о кварцевом фильтре: мною было настроено более десятка таких аппаратов с различными лестничными кварцевыми фильтрами на частоты от 5 до 10,7 мс, в которых применялись от 6 до 2 кварцев, в последнем случае это почти DSB-трансивер. Если у радиолюбителя имеется в наличие большее количество кварцев, то лучше добавить ещё один каскад ПЧ (в разрыв точки «А»), применяя ещё один кварцевый фильтр, улучшив чувствительность и избирательность. Методик изготовления лестничных кварцевых фильтров множество. В данной конструкции вместо одного «большого», например, 8 кристального, лучше применить два «маленьких», 6 + 4, 4 + 4, или 4 + 2 кварца и т.п. важно, чтобы разнос частот кварцев был не более 30 гц, но и больший разнос частот не повод отказываться от повторения и в дальнейшем усовершенствования трансивера.

Детали: все трансформаторы тр1-тр5 имеют 15 витков (скручены в 3 провода) ф600 или 1000-3000нн, к12х6х5 (в принципе, подойдут даже и чашки из феррита ф600 от пч фильтров транзисторных приёмников, не отламывая края чашек), L4 -4 витка, L5-20 витков на секционированном каркасе с подстроечником ф600, ПЭЛ 0,32. Катушка гпд 8 витков.

В литературе есть множество данных ПФ для кольцевых смесителей, в одой из конструкций «Паруса» я применил такие: катушки намотаны на каркасах 7 мм с подстроечниками ф600, (160м и 80 м на секционированных). Расстояние между центрами катушек – 20 мм.

Данные ктушек трансивера Парус


Улучшить параметры можно заменив т4 на КП903, при этом вместо R18 и R19 поставить дроссели по 20-40 мкгн. Т2 на ктз102Е (или другой малошумящий с большим коэфф. ус.). Т9 – кт610 изменив R24 на 33Е. Вместо 2х контурных ПФ сделать 3х контурные, и ввести все кв. диапазоны.

Настройка: унч должен в режиме передачи развивать вч напр. 0,2 – 0,4 в. Вч напр. на выходе ОКГ и ГПД отключенных от БМ и смесителя не более 1 – 1,5 в.

Частоты ГПД:

ГПД трансивер Парус


В. Линьков RD4AG (ех RK9AF)


QRX - объявления радиолюбителей

HamRadio. Радиолюбители.RA1OHX

Сайт RA1OHX. Радиолюбители КВ и УКВ

Доска объявлений радиолюбителей "Купи-Продай" ВКонтакте Присоединяйся! >>>


Доска объявлений радиолюбителей "Купи-Продай" В Телеграм Присоединяйся! >>>



Поделитесь записью в своих социальных сетях!



Сайт RA1OHX
При копировании материала обратная ссылка на наш сайт обязательна!

Категория: Радиостанции, трансиверы | Добавил: Mike (30.01.2015)
Просмотров: 16304 | Теги: Реверсивный, минитрансивер, Микротрансивер, QRP, QRP Трансивер, Парус | Рейтинг: 0.0/0

Всего комментариев: 0
Добавлять комментарии могут только зарегистрированные пользователи.
[ Регистрация | Вход ]
Поиск по сайту


Поиск позывного

RA1OHX © 2026