Радиолюбительский сайт

Суббота, 14.03.2026, 22:28



Приветствуем Вас Гость | RSS
[ Главная ] [ Каталог статей ] [ Регистрация ] [ Вход ]

Меню сайта

Радиоконструкции

Распродажа

Измерительные приборы в интернет магазине DESSY

Скачать

Радиобиблиотека

RDA

DX кластеры

Цифровая радиосвязь

QSL info

Полезные ссылки

Опрос сайта
Каким видом радиосвязи Вы чаще всего работаете в эфире?

Результат опроса Результаты
Все опросы нашего сайта Архив опросов
Всего голосовало: 816

QRP частоты

QRP частоты

Недавно скачивали
  Excel 2010. Профессиональное программирование на VBA 
  Grand1.2 \ 1.3 Rus 
  Журнал Радиохобби №1 (февраль) 2011 
  8-БИТ №3 ( февраль 2013 ) 
  Сборник Радиодизайн. Любительская схемотехника. Вып.1-25 
  Hard Truck: 18 Wheels of Steel 
  Современная электроника №3 ( март 2013 ) 
  Понятный интернет для старшего поколения. 2013 
  Радиоконструктор №9 ( Сентябрь 2012 ) 
  RadCom №1-6 2012 
  Журнал Радиомир №11 (ноябрь 2011) 
  Радиолюбителям: Полезные схемы. Книги 1- 6 
  Microsoft Office 2010. Самоучитель 
  XHTML в примерах. Наварро 
  World Radio Online №3 ( March 2013 ) 
  Радиоконструктор №12 ( декабрь 2012 ) 
  Анатомия ПК 
  Электронные лампы.Сборник справочников 
  Need for Speed: Hot Pursuit 2 
  Электронная лаборатория на IBM PC. Программа Electronics Workbench и ее применен... 

Статистика

free counters

Онлайн всего: 11
Гостей: 11
Пользователей: 0


Сегодня отметились

Mike, colyacardakov, kletchaty30, aleksejfedorovictucin6984, hot-mam, svyatogorov55


Форма входа

Информация

Зарегистрированным пользователям доступны все разделы сайта в полном обьеме!


Свободный блок

Популярное

СССР: Наши Любимые Песни

Музыка ретро


Песни для юбилея мужчины

Музыка архив


Антивирус Avast -

лучший бесплатный антивирус




Распродажа

Измерительные приборы в интернет магазине DESSY

Главная » Статьи » Схемы радиолюбителю » Радиостанции, трансиверы » Трансивер «ПАРУС-кварц»

Радиолавка 73

Трансивер «ПАРУС-кварц»

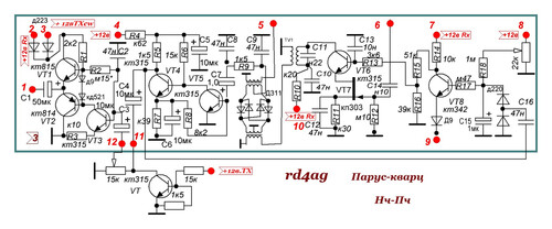
Особенность схемы трансивера с кварцевым фильтром: балансный модулятор на варикапах, и минимальное количество различных контурных катушек в пч тракте, доступная элементная база. Хотя во многом качество аппарата зависит от применённого кварцевого фильтра – его настройки и согласования.

Основная часть деталей расположены на печатных платах.























Можно применить и электронный коммутатор вместо реле:



О деталях:

В основном ширпотреб как отправная точка, с возможностью применения более современных, малошумящих и т. п.
Катушки ПДФ изготавливаю таким способом:
Каркас от СЦР-1 разделю на 4 равные части. В нижней части получившегося каркаса паяльником вплавлю отрезок лужёного провода диаметром примерно 0,5 мм и длиной около 1см. чтобы получились усики для крепления. Наматываю плотно катушку эмалевым проводом 0,27-0,32 закрепив края нитками. Поверх паяльником наплавляю на витки кусочки парафина, чтоб только они обволакивали катушку, а не висели кусками. На небольшую платку (или на основную плату ПДФ) закрепляю катушки фильтра, одну за усики неподвижно, другую только за один усик так, чтобы расстояние между катушками было около 1 см. расстояние между катушками (т.е. связь) можно будет менять в процессе настройки ПДФ. По бокам припаиваются конденсаторы ещё далее реле (если коммутация будет с реле). Сердечники кусачками делятся надвое, предварительно сделав пропил под отвёртку.



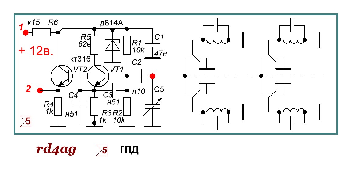
Аналогичным способом делаются контура гпд.
В детекторе применены германиевые диоды чтобы уменьшить связь с опорником всего лишь 47пф. 1С11
Кварцевый 4-х крист. фильтр на частоту 4,433 мс. (Лучше применить на 8,866мс) мной опробованы 4-8 кв. фильтры на частоты 7,888мс 9,100мс 10мс и 10,7мс. С небольшим изменением схемы (3С11 и частотами Гпд).
Контур в ПЧ имеет 24 витка, катушка связи 4 вит.
В балансном модуляторе подстроечные 1R17 и 1С13 стабильного качества т.к. подавление несущей достаточно хорошее. Частота опорного генератора должна быть на 1,5-1,6 кгц ниже основной частоты Кв. фильтра. Иногда катушка 1L1 достигала 60 вит. Дроссель 1Др1 от старого лампового тв., на резисторе ВС.
Ферритовые кольца проницаемостью от 400 до 2000 (в dsb только 1000-2000), Ø от 7 до 12 мм.
Реле рэс-49. Микрофон динамический. Стрелочник 1 мА Гпд конструктивно выполнен с отдельной катушкой для каждого диапазона, это позволило растягивать шкалу на всю длину.



Настройка:

Удвоитель настраивают по самому высокочастотному диапазону, т.е. 23,567–24,567мс. Изменяя 2R8 добиваются устойчивой работы каскада. Возможно придётся скорректировать 2R9, 2R5. Если и это не поможет, то шунтировать 2R5 ёмкостью 100-120 пф.
Величиной ёмкости 1С23 добиваются амплитуды CW сигнала на Истоке 2VT4: 170-200 мв, а подбирая 1R22 при громком «А» SSB сигнал не менее 200 мв.

P.S.



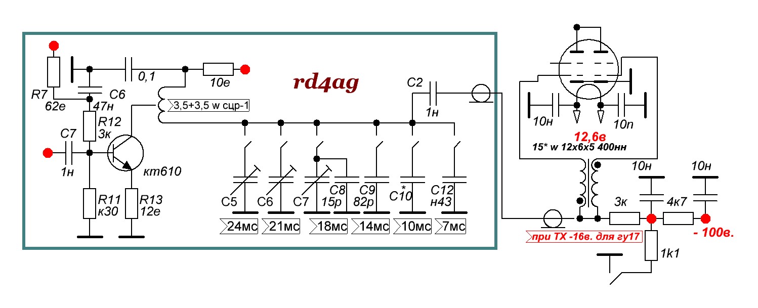
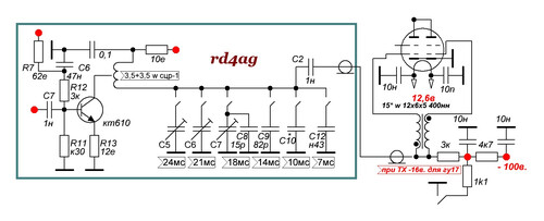
Выходной каскад можно выполнить и на лампе (гу17, гу19, 6р3с). Трансформатор в цепи сеток имеет порядка 15- 16 витков провода 0,32-0,47 диаметр кольца 12-18 мм, 400-2000нн. Точное число витков подбирается по максимуму выхода на 28мс.

Диапазонные резонансные конденсаторы шунтируются резисторами при настройке. Если будут использоваться диапазоны 80 и 160м, то катушки мотаются на каждый диапазон отдельно как в конструкции UA1FA «Я строю кв радиостанцию».
Индикатор выхода – кусок провода, проложенный возле антенного разъёма.

P.S. P.S.

Если покажется, что аппарат сильно большой и сложный, посмотрите на фото почти все детали (кроме ПФ, Гпд и выходного транзистора кт920а) уместились с двух сторон внутри коробочки от селектора каналов TV Hi…





В. Линьков RD4AG vladi59@mail.ru

г. Суровикино.


QRX - объявления радиолюбителей

HamRadio. Радиолюбители.RA1OHX

Сайт RA1OHX. Радиолюбители КВ и УКВ

Доска объявлений радиолюбителей "Купи-Продай" ВКонтакте Присоединяйся! >>>


Доска объявлений радиолюбителей "Купи-Продай" В Телеграм Присоединяйся! >>>



Поделитесь записью в своих социальных сетях!



Сайт RA1OHX
При копировании материала обратная ссылка на наш сайт обязательна!

Категория: Радиостанции, трансиверы | Добавил: Mike (18.02.2026)
Просмотров: 129 | Теги: Парус, RD4AG, кв трансивер | Рейтинг: 0.0/0

Всего комментариев: 0
Добавлять комментарии могут только зарегистрированные пользователи.
[ Регистрация | Вход ]
Поиск по сайту


Поиск позывного

RA1OHX © 2026